В гараже:
- Volkswagen Touran 1.9 TDI MT 2008
- Opel Zafira 1.8 MT 2013
- Nissan Qashqai 1.6 MT 2013
-
Авто-журнал:
Volkswagen Touran 1.9 TDI MT 2008
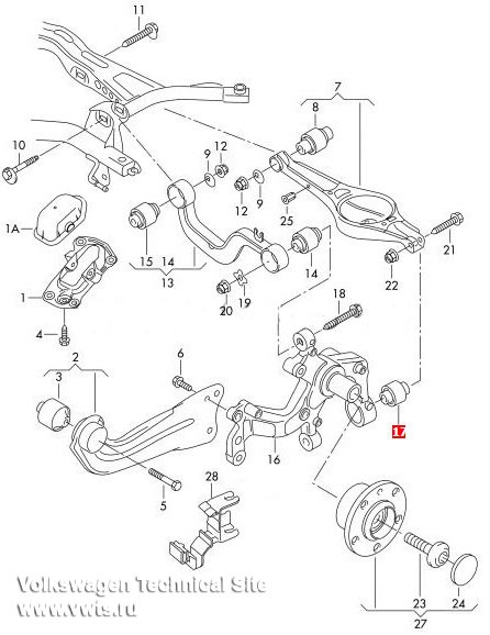
тяга задней подвески, поперечный малых рычагов(правый)
|
Дата: | 05.10.2016 |
|---|---|---|
| Пробег: | 216816 км | |
| Узел: | Подвеска и рулевое управление | |
| Агрегат (работа): | Рычаги задней подвески или их элементы (сайлентблоки, шаровые) | |
Наименование |
тяга задней подвески, поперечный малых рычагов(правый) | |
| Производитель: | LUCAS/TRW | |
| Номер (модель): | JTC1399 | |
| Стоимость: | 1552.00 RUB | |
| Узел: | Подвеска и рулевое управление | |
| Агрегат (работа): | Рычаги задней подвески или их элементы (сайлентблоки, шаровые) | |
Наименование |
тяга задней подвески, поперечный малых рычагов(левый), поз.1 | |
| Производитель: | LUCAS/TRW | |
| Номер (модель): | JTC1400 | |
| Стоимость: | 1552.00 RUB | |
| Узел: | Подвеска и рулевое управление | |
| Агрегат (работа): | Рычаги передней подвески или их элементы (сайлентблоки, шаровые) | |
Наименование |
сайлентблок передний переднего рычага передней подвески, поз.1 | |
| Производитель: | LUCAS/TRW | |
| Номер (модель): | JBU692 (2шт) | |
| Стоимость: | 774.00 RUB | |
| Узел: | Тормозная система | |
| Агрегат (работа): | Замена тормозных колодок (передние) | |
Наименование |
комлект передних торм колодок с датчиком износа | |
| Производитель: | LUCAS/TRW | |
| Номер (модель): | GDB1550 | |
| Стоимость: | 1732.00 RUB | |
| Узел: | Подвеска и рулевое управление | |
| Агрегат (работа): | Элементы заднего стабилизатора поперечной устойчивости (втулки, стойки) | |
Наименование |
сайлентблоки задних кулаков 2шт поз.17 | |
| Производитель: | VAG | |
| Номер (модель): | 1K0505553A | |
| Стоимость: | 0.00 RUB | |
| Узел: | Подвеска и рулевое управление | |
| Агрегат (работа): | Рычаги задней подвески или их элементы (сайлентблоки, шаровые) | |
Наименование |
тяга стабилизатора заднего 2шт., поз.9 | |
| Производитель: | VIKA | |
| Номер (модель): | 40549 | |
| Стоимость: | 840.00 RUB | |
| Узел: | Подвеска и рулевое управление | |
| Агрегат (работа): | Рычаги задней подвески или их элементы (сайлентблоки, шаровые) | |
Наименование |
сайлентблок поз.8 | |
| Производитель: | LEMFORDER | |
| Номер (модель): | 2991701 | |
| Стоимость: | 604.00 RUB | |
| Название СТО: | Гермес-Авто | |
| Стоимость работы: | 12800.00 RUB | |
| Общая стоимость: | 19854.00 RUB | |
Фото
Дайджест публикаций Авто-Журнала
SKODA RAPID – безопасность на высшем уровнеМосфильмовская, 68. ...
Ступичный подшипник SkfДумаю три года службы и 120000 км пробега очень хороший показатель....
Сервисная таблица умножения от Volkswagen АВИЛОНВ сервисном центреVolkswagen АВИЛОНстартовала специальная программа «Сервисная таблица умножения», воспользовавшись которой, вы сможете умножить сво...
Видеорегистратор Audi – способен на большее, чем просто запись поездки!Доступны две версии: с одной фронтальной камерой (4G0063511E) или с двумя — передней и задней (4G0063511G).** Указана максимальная цена перепродажи сН...
Отзыв о Mitsubishi Outlander 2.4 MT 4WD 2006Салентблоков.перебрана вся задняя. заменены 6 сайлетблоков.В планахперебрать коробку.ШумкаСнять задний бампер и всё обработать...








