Событие в гараже: 5W30 SN (1 литр) (Nissan, Япония)
У меня с прошлых замен масла остались пара масляных фильтров разной конструкции (специально брал, чтобы потом их сравнить):
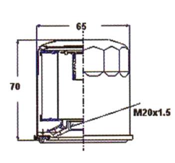
Тот, что слева - фильтр фирмы VIC (Япония), он устроен вот так:


Схема фильтра в объеме содрана мною с фильтра Sakura, но это не важно, так нагляднее. Обратите внимание на деталь цилиндрической формы в верхней части (на схеме) фильтра - это перепускной клапан, важный элемент фильтра, который срабатывает когда масло по каким-то причинам не проходит через фильтрующий элемент (например, если он уже очень грязный или масло замерзло). Для тех кто не в теме, - это реклама, но в ней видно как устроен фильтр.
Другой (справа на первой фотографии), использованный фильтр фирмы Nitto (Япония). Схемы его я не нашел, но нашел , там как раз есть эта модель (4nd-110). Эти товарищи не скрывают, что они извращенцы и выкладывают фотографии как они проводят свое свободное время, я же до последнего момента стеснялся, но с недавних пор, как видите, тоже влился в их ряды.
Так вот, о чем я... эти фильтры разные:
Основные отличия в них это перепускной клапан и внутренние стенки фильтра. У фильтра VIC (слева) клапан в форме стакана, боковые стенки из перфорированного металла, а у фильтра Nitto перепускной клапан плоский с несколькими отверстиями, и боковые стенки из толстой пластмассы с прямоугольными отверстиями в них, что уменьшает гидравлическое сопротивление. Обратный клапан у обоих фильтров одинаковый, металл корпуса и прокладка тоже. Еще у этих фильтров разная цена 180 р. (слева) и 250 р. (справа) из-за чего у меня и начали чесаться руки распилить их.
Фильтры я распиливал "болгаркой", как торт, вырезав по сегменту из каждого. Фотографий, к сожалению, не далал т.к. в процессе из фильтров выливалось масло и мне было лень вытирать руки чтобы сделать фото. Все эти проделанные мною глупости помогли мне прийти к выводу, что лучше брать фильтр за 250 р., не зря он дороже. Если коротко, то отличия, о которых я написал выше, являются ключевыми. Перепускной клапан в более дорогом фильтре мне показался надежнее, внутренние боковые стенки из пластмассы - более удачным вариантом (площадь отверстий больше), чем перфорация, а кроме этого внутренняя сборка у более дорогой модели качественнее - в недорогом фильтре мне не понравились кривые заклёпки, имеющиеся на дне фильтра, хотя в целом оба фильтра хорошо выполняли свою функцию.
Впереди зима и условия эксплуатации будут более экстремальными, следовательно, и фильтр нужен надежный. На прошлой замене масла я поставил Nitto, потому что решил не экономить, а после распиливаний убедился в правильности своего решения.
Напоследок вот .
Ещё мне интересно, как много людей дочитывают до конца мою писанину. Если вы дочитали до этого места, то поставьте этой статье минус (нажмите "палец вниз" возле названия статьи) - это эксперимент:)








