###04.04.18 (Компьютерная диагностика системы ABS)
Приехал к электрикам, чтобы заменить задний левый датчик (в мой гараж мне было не попасть). Электрики с помощью какой-то там матери умудрились вынуть старый (оборванный) датчик и поставить туда новый, который мне достался вместе с машиной в нагрузку. Заплатил я за это 500₽ и... сразу после пуска двигателя выскочила ошибка датчика угла наклона фар! До этого всё работало но самое главное, что ошибка ABS/ESP не пропала!
В этот же день приехал на диагностику. Электрики указали на проблемы:
- Нет сигнала от заднего левого датчика ABS;
- Замыкание на линии датчика угла наклона фар.
Вот те на! Пообещали устранить мне проблемы за N-уюсумму. Так как мой гараж занят, а устранять проблему, возникшую на ровном месте нужно, ярешил довериться им. Назначили мне дату на 19.04.18.
###19.04.18 (Отдал машину на диагностику ABS электрику)
Приехал к электрикам. Времени у них не было, сказали оставить машину в боксе и обещали разобраться через пару часов. Прошла не пара часов. Электрики отзвонились вечером, попросили забрать машину. Они что-то там прозвонили, но обещали доделать работу через пару дней. Хорошо, хоть платить не пришлось.
###29.04.18 (Прозвонка и качественная диагностика проводки ABS)
До сих пор никто из электриков не позвонил. Хорошо слились, ничего не скажешь. Видимо такая проблема им не по зубам. Придётся решать самому. Так что поехали!
На этой машине задний левый и задний правый датчики отличаются. На заднем левом датчике два провода, которые поделены на группы:
- Белый с чёрным идёт в блок ABS;
- Второй штекер на четыре контакта (задействованы лишь три) от чего он, пока не ясно.
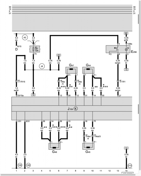
Отсюда и связь между ABS и датчиком угла наклона фар. В программе Elsa 6.0 нашёл электросхему системы ABS/ESP.

Интересно то, что штекера на четыре контакта в заднем левом датчике на схеме НЕТ.
Схему я распечатал, склеил, чтобы было удобно читать и поехал в славный город Кировск в гараж. Чуть позже ко мне присоединился Ярослав.
Судя по схеме провод от проблемного датчика идёт напрямую в блок управления системой ABS/ESP.
Первое, что было сделано – это проверен датчик на сопротивление. Мультиметр показал 1.2КОм. Это нормальное сопротивление для датчика Audi. Далее требовалось проверить отклик датчика на движение колеса.
Снова подключили омметр и Ярослав стал вращать колесо. Омметр показал изменения. Точные цифры сейчас не помню, но они были. Проблема была лишь в том, что мне остаётся неизвестной амплитуда этих самых импульсных изменений (проверить такое можно, лишь на осциллографе). Датчик для успешной работы, должен иметь строго определённую амплитуду изменений импульса и если она будет малой, работа системы будет нарушена.
Затем отсоединив клемму с аккумулятора и сняв водительское сиденье с кучей штекеров, вскрываем левую часть внутренней обшивки. Требуется оценить состояние проводки датчика до блока ABS – проводка идеальна. На схеме видно, что задний левый датчик приходит в блок 13 и 14 контактом.

Проверяем цепь на обрыв:
- Включаем мультиметр в режим прозвонки. Замыкаем два контакта на конце штекера со стороны датчика проволокой и подключаем прибор в 13 и 14 контакт штекера блока ABS. Мультиметр звенит, а Ярослав старательно мнёт жгут с проводами (вдруг обрыв внутри)… Нет, прибор монотонно пищит.
- Вторым шагом проверяем сопротивление участка цепи тем же способом, переведя прибор в режим омметра. Сопротивление на участке 0.02Ом. Это говорит о том, что участок без повреждений.
Я в лёгком недоумении… Датчик ABS мне достался вместе с машиной (в нагрузку), может быть он не от этой модели?
###30.04.18 (Поиск причины неработающего датчика)
Эпопея с датчиком ABS продолжается. Сегодня с Ярославом заглянули под машину. Если бы я сам менял датчик ABS, то понял бы, что второй провод (на три контакта), идущий от ABS – это провод на датчик угла наклона фар! Тут становится всё ясно. Скорее всего провод, идущий на датчик угла наклона фар где-то замыкает (судя по диагностике), что влечёт за собой сбой в работе системы ABS. Приеду домой, проверю эту теорию. Ярослав, тебе БЛАГОДАРНОСТЬ за ОГРОМНУЮ помощь в работе и диагностике.
###11.05.18 (Замена заднего левого датчика)
Сегодня поехал вместе с Ярославом в гараж заменить задний левый датчик ABS. Ярослав аккуратно извлёк старый датчик из ступицы, протёр внутри кольцо и установил новый. После замены пропала ошибка динамического угла наклона фар, но ошибка ABS никуда не делась. После небольшой поездки снова вернулись в гараж и прозвонили провода от блока до датчика. С проводкой всё хорошо. Сопротивление на участке 0.5Ом. Видимо в прошлый раз ошибся с показаниями мультиметра (было 0.02Ом). Напряжение на участке цепи от блока до датчика 0В, в то время как на заднем правом датчике показания 4.66В.
Теперь самое интересное. После парковки у моего дома, я снова попробовал перезапустить двигатель... Ошибка чудесным образом пропала! Пока стоял, она не появлялась. Попробовал немного поелозить туда-сюда и снова ошибка (причём появилась не сразу). После этого она висит даже после перезапуска двигателя.
Вопросы:
- Может быть блок ABS накрывается?
- Может быть что-то с рифлёным кольцом в ступице?
- Почему такая странная реакция блока ABS?
- Почему напряжение на датчик отсутствовало в гараже?
###13.05.18 (Принятие решения)
Немного подумав, принял решение: на ближайших выходных снять электронный блок управления ABS и отдать его электрику Славе. Дело в том, что внутри электронной части блока управления помимо обычных проводов и дорожек имеется множество очень тонких (тоньше волоса) золотых проводов. Очень частая проблема – обрыв одного или нескольких из них.
К тому же всё указывает на то, что проблема кроется в блоке. Что ж, посмотрим...
###17.05.18 (снятие блока ABS)
Сегодня вместе с Ярослвом (честь и хвала ему) пришли в гараж, чтобы снять блок управления ABS. К слову сказать, всё делал Ярослав, пока я уплетал лапшу быстрого приготовления (целый день ничего не ел)... Вся процедура заняла не более 30 минут. Для снятия блока потребовалось открутить бочок гидроусилителя, бочок омывателя и левый локер. Благодаря снятию покера мы получили доступ к двум оставшимся болтам бочка омывателя. Блок управления ABS крепится на шести болтах, типа torx. На фото видно, как Ярослав старательно выкручивает болты.


Теперь остаётся аккуратно вскрыть блок и выяснить, что же там произошло... Как и предполагалось, два (достаточно толстых) проводабыли оборваны! Причина отсутствия напряжения на заднем левом датчике обнаружена и теперь необходимо её решить.
Поговорив по телефону со Славой (наш мегаэлектрик), было принято решение, рискнуть и отдать блок на пайку (авось, повезёт)...
На фото ниже, номер моего блока.

###20.05.18 (Установка блока ABS)
Итак, все восстановительные работы завершены. Блок пропаян и теперь его нужно поставить. Процедура установки не заняла много времени. Поставив всё на свои места, включаю зажигание...
Да, ошибка НЕ ПРОПАЛА. Теперь помимо всего прочего выскакивает и ошибка неисправности тормозной системы. В общем-то, я не надеялся на стопроцентный успех; да что там стопроцентный... я на двадцатипроцентный не рассчитывал. Значит будем заказывать другой блок управления.
Тут есть кое-какие нюансы. Блок должен быть ТОЧНО ТАКИМ же и его потребуется прописать в систему, а для этого нужно иметь VAG COM.
###30.05.18 (Заказ блока ABS)
Сегодня на Drom заказал блок ABS в сборе: его стоимость составила 5000₽. К стати, есть надежда на то, что после установки другого блока не потребуется прописывать его в систему. Это было бы замечательно.
###09.06.18 (Установка другого блока ABS)
Итак, блок ABS я забрал и сегодня Ярослав проделывал все процедуры по снятию/установке. Купленным Ярославом, эпоксидным клеем заклеили трещину в разъёме (продавец слукавил, не сказав про неё ни слова). Замена прошла успешно. Правда блок никак не хочет распознаваться системой (ошибки присутствуют). Пробовал его адаптировать (выписывать восьмёрки), но ничего не вышло. Придётся его прописывать. Брат обещал мне отдать оригинальный VAG-COM, им и будем осуществлять привязку.
###18.06.18 (Кодирование и адаптация блока)
Забрал у братана оригинальный VAG-COM, получил новый ключ для доступа к программе VCDS и теперь начало работы с блоком, а точнее кодированием. Вместе с Ярославом вооружились нотубуком и VAGом, сели в машину, подключились, посмотрели различные блоки... и поняли, что не совсем понятно с чего же начать! Интернет – незаменимый помощник в подобных ситуациях. По этому снова пошли домой и стали искать подробную информацию о кодировании и адаптации блоков. Проблем с наличием данных по этой теме не было и уже примерно через 20-30 минут было понятно, что к чему. Операции по кодированию и адаптации я доверил Ярославу, так как у него уже имелся подобный опыт, в отличие от меня, и скажу забегая вперёд, – он справился с этой задачей на все 100%. Ну а пока, всё по порядку.
Вся проблема заключалась в том, что у меня не сохранились данные о кодировке старого блока, а у нового код 00000. К тому же неизвестен и логин для работы с кодировкой. Блок ABS у меня от компании Bosch v5.7 соответственно кодировку будем подбирать именно под него (т.к. есть кодировки под Bosch v5.3).
Подбор логина ():
1) После того, как введен логин, кодировку блока нужно сохранять заново;
2) В моём случае собственный логин 07499 используется для 6-ти цилиндровых бензиновых двигателей с тормозами 1LG и коробкой мультитроник.
0?xxx: Модель авто
6 = Audi A6 Light Armored
7 = Audi A6
0x?xx: Тормоза
1 = 2FNR 42 AL 18" (PR-1LJ/1 LP)
2 = 2FNR 42 AL 17" (PR-1 LL)
3 = FN3 16" (PR-1LF/1LT)
4 = HP2 16" (PR-1LX)
4 = FNR 16" (PR-1LA/1LG)
5 = FN3 15" (PR-1LB/1LE)
6 = C54 (PR-1LZ)
0xx?x: Двигатель
5 = 4/6 Цил. Дизель
7 = 4/5 Цил. Бензин
9 = 6/8 Цил. Бензин
0xxx?: Трансмиссия
5 = Механическая
7 = Автоматическая
9 = Мультитроник (вариатор)
Кодирование блока:
1) Кодировку можно изменить только после ввода логина;
2) После изменения кодировки нужно выполнить адаптацию датчика угла поворота руля;
3) В моём случае собственное кодирование 06399 используется для 6-ти цилиндровых бензиновых двигателей с тормозами 1LG и коробкой мультитроник.
0?xxx: Модель авто
6 = Audi A6
7 = Audi A6 Light Armored
0x?xx: Тормоза
1 = C54 (PR-1LZ)
2 = FN3 15" (PR-1LB/1LE)
3 = HP2 16" (PR-1LX)
3 = FNR 16" (PR-1LA/1LG)
4 = FN3 16" (PR-1LF/1LT)
5 = 2FNR 42 AL 17" (PR-1 LL)
6 = 2FNR 42 AL 18" (PR-1 LJ/1 LP)
0xx?x: Двигатель
5 = 4/6 Цил. Дизель
7 = 4/5 Цил. Бензин
9 = 6/8 Цил. Бензин
0xxx?: Трансмиссия 5 = Механическая
7 = Автоматическая
9 = Мультитроник (вариатор)
Адаптация датчика угла поворота руля (G85):
1) Зайти в Блок (03) АБС;
2) Логин (11) – ввести 07499;
3) Коды ошибок (02), Сделано-Возврат;
4) Повернуть руль как минимум на 30 градусов влево, затем выставить его в положение, когда машина едет строго прямо;
5) Измерения (08), Группа 005, Первое окошко–должно быть значение 0.0 (допуск–до 5.0), Сделано-Возврат;
6) Логин (11)–ввести 40168 (адаптация датчика ESP (G85));
7) Базовые установки (04), Группа 001, Запуск. Затем Сделано-Возврат;
8) Базовые установки (04), Группа 103, Запуск. Сделано-Возврат;
9) Коды ошибок–ошибки должны исчезнуть.
Восьмой пункт делается для того, чтобы завершить функциональную проверку системы. Если этого не сделать, то после выхода из блока она сама по себе не завершится и на панели приборов будет висеть ошибка(!). Параметр после применения должен иметь метку: "ВЫКЛ".
После всех проделанных операций блок ABS закодирован и адаптирован!
Благодарность Ярославу за его ноутбук, терпение и отличное настроение при кодировании и адаптации блока!
Пробег: 162162 км.










