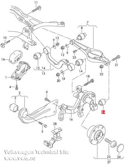
1) задние поперечные малых рычаги TRW 1399 и 1400 - левый и правый
2) Сайлентблоки подпружинных рычагов внутренние поз.8
3) Сайлентблоки задних кулаков поз. 17
5) Колодки передние с датчиком износа TRW GDB1550, на дисках есть буртик около мм с каждой стороны.
6) Сайлентблоки передних рычагов передние в передней подвеске TRW JBU692 (задние менял полтора года назад)
еще проблемы:
подтекает по КПП, нужно поменять сальник привода КПП правый оригинал 02M 301 189 G - пока подождет
рулевая рейка - разбита втулка.









